This website has stopped updating, please visit our new website (www.lyintl.com) to learn more about our new products. Thank you!
Logo New Website
ABOUT US | ALL PRODUCTS | ADVANCED SEARCH | CONTACT US
  FOLLOW US:

PA Speaker

PA Amplifier

Public Address System

Honeywell PA/AV System

Voice Evacuation System

Smart Home Music System

Conference System

Microphone & Megaphone

Professional Sound System

Miscellaneous

Product detail

Categories » Miscellaneous » Volume Controller

 Checkout
Product ID: V-505/530/560/5120
Volume Controller
Volume Controller
  • Description
  • Picture
  • Datasheet
  • Reviews

  • Specifications
 Model:  V-505  V-530  V-560  V-5120
 Line input: 100V
 Rated power:  5W  30W  60W   120W
 Attenuation per step:  6dB
 Total attenuation:  18dB
 Attenuation positions:  4 plus off
 Mounting:  Flush and surface
 Dimensions(mm):  87x87x43   87x87x59   87x87x69  87x87x69
 Weight(g):  60g   160g  320g  500g
 Gross weight:  4Kg/48pcs  5Kg/24pcs  8.7Kg/24pcs  13Kg/24pcs

  • Connection Drawing (V-505):
     
connection

 

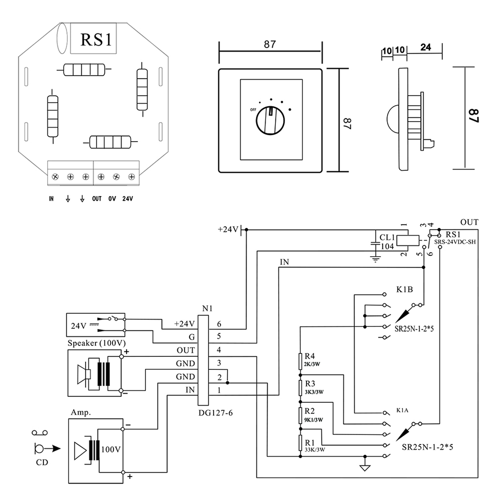
  • Connection Drawing (V-530/V-560/V-5120):
     
connection

  • V-505/530/560/5120.pdf

 

 
Product Reviews

No Reviews For This Product.

Click to review this product

 
 

 
« Previous | Next »

About us

About Us
Projects

Services

Shipping FAQ
Payment FAQ

Download

E-catalogue
Manual book

Affiliates

Affiliates
View cart

Contact us

Contact us
Links

© Copyright 2022 - LY International Electronics Cooperation Limited. All rights reserved.
Subscribe to our newsletter